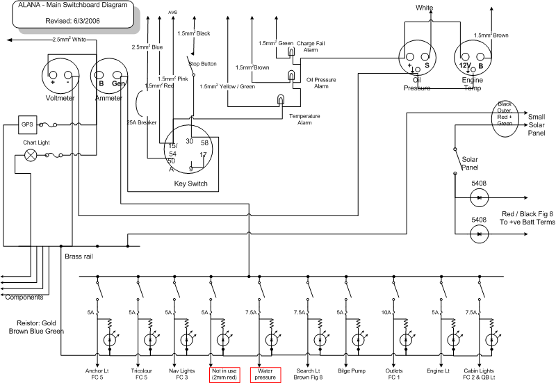
Main Switch Panel
Components Components Components Components Components Components Components Components Components