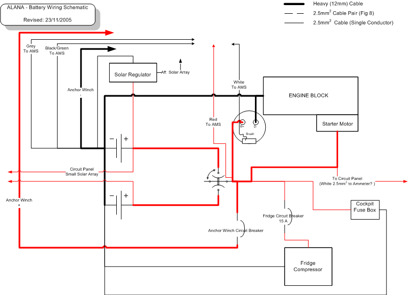
Batteries & Charging
Solar Regulator Fridge Compressor Starter Motor ENGINE BLOCK