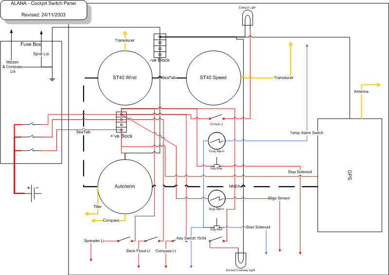
Cockpit
Bilge Alarm Bilge Alarm +’ve Block +’ve Block +’ve Block +’ve Block +’ve Block +’ve Block +’ve Block +’ve Block -ve Block -ve Block -ve Block -ve Block -ve Block -ve Block -ve Block -ve Block Eng Start Eng Start Eng Start Eng Start Eng Start Temp Alarm Temp Alarm Eng Stop Eng Stop Eng Stop Eng Stop Eng Stop